Loadlock/Transfer > Cassette Loadlock/Transfer: VCE
Vacuum Cassette Elevator (VCE)
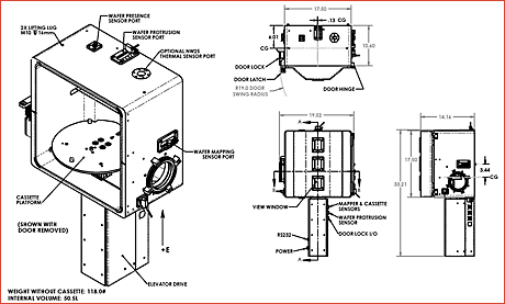
The Vacuum Cassette Elevator is a compact, cost effective, high-vacuum compatible loadlock elevator system for positioning a cassette of wafers or other substrates to allow a robot or other transfer device to take wafers from the cassette while under vacuum. Flexibility in design allows interface with a wide variety of cluster tool or standalone devices. The family of VCE systems can be configured for SEMI-standard 200mm/25 wafer or 300mm/13 wafer or custom cassettes. A customized Vacuum Cassette Elevator could handle reticles, masks or other substrate cassettes of varying sizes.
Install a preloaded cassette into the loadlock and evacuate the loadlock chamber. The VCE then precisely positions the cassette in the vertical direction allowing the robot or other transfer mechanism to repeatedly select and pull wafers from the cassette for delivery to the process chamber.
The typical VCE chamber has a manually operated clam-shell type door with door-closed sensor, smooth, easy-to-clean interior walls, a pump port and three auxiliary ports for venting, gauging, etc. The vertical drive mechanism comes standard with home and end limit sensors and a fine pitched, anti-backlash leadscrew preventing back driving on power loss. The drive can be computer controlled, joystick driven or even operated manually.
SPECIFICATIONS AND DESCRIPTION
| MODEL | VCE |
|---|---|
| Material | |
| Chamber | Machined aluminum block-HV compatible Metal with Viton O-rings |
| Transfer System | All HV Compatible |
| Description | |
| Wafer/Substrate sizes | 200mm / 300mm / custom |
| Wafers/Cassette | Typical 200mm/25 wafer or 300mm/13 wafer cassette or custom |
| Footprint | 17.5 inches x 14.156 inches |
| Chamber load opening | 15.5 inch x 17 inch cassette load opening |
| Interface | SEMI-E21.1-1296, 50mm x 336 mm |
| Volume | 50 liters |
| Pump port | ISO NW100 |
| Weight | ~ 118 pounds |
| Performance | |
| Z-Travel Stroke | 175mm (25x200mm wafers, or 13x300mm wafers) entire open cassette will index up and down entire stroke. |
| Indexing resolution | < 0.1mm maximum |
| Repeatability | < 0.2mm maximum |
| Motorization Controls | |
| System I/O Controls | Touchscreen, RS232 or digital I/O |
| Specifications subject to change without notice. | |
DIAGRAM OF TYPICAL VACUUM CASSETTE ELEVATOR
